Бізге электрондық пошта
Өнімдер
SMC түрі AC FRL құрылғысы
  • SMC түрі AC FRL құрылғысыSMC түрі AC FRL құрылғысы
  • SMC түрі AC FRL құрылғысыSMC түрі AC FRL құрылғысы
  • SMC түрі AC FRL құрылғысыSMC түрі AC FRL құрылғысы

SMC түрі AC FRL құрылғысы

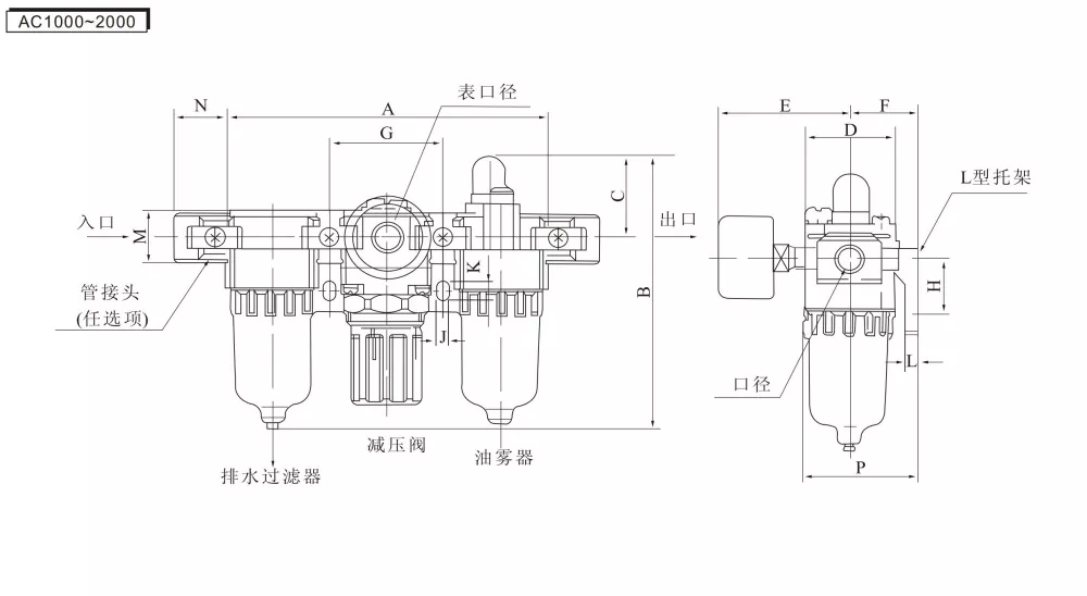
Model:AC2000-02
SMC түріндегі AC FRL құрылғысы (сүзгі-реттегіш-майлаушы) ауа көзін сүзу, қысымды төмендету және реттеу және майлау өңдеуді біріктіретін пневматикалық іргелі компонент болып табылады. Ол пневматикалық жүйелер үшін таза, тұрақты және майланған сығылған ауамен қамтамасыз етеді, осылайша пневматикалық компоненттердің қызмет ету мерзімін ұзартады және жүйе тұрақтылығын арттырады. OLK AC сериялы FRL құрылғысы заманауи пневматикалық жүйелердің маңызды «қорғаушысы» ретінде әрекет етеді.
  • Brand:

    OLK
  • Type:

    SMC TYPE AC SERIES
  • Port size:

    PT1/8 ; PT1/4 ; PT3/8 ; PT1/2 ; PT3/4 ; PT1
  • Filter Material:

    Copper filter

SMC түріндегі AC FRL құрылғысының мүмкіндіктері мен дизайны:

Өздігінен құлыптауды реттеу: қысымды өздігінен құлыптау механизмімен ерекшеленеді. Қажетті қысым орнатылғаннан кейін оны құлыптау үшін тұтқаны төмен басыңыз. Бұл сыртқы тербеліс немесе кездейсоқ жанасу салдарынан орнатылған қысымның өзгеруіне жол бермейді.

Әмбебап дренаж: әртүрлі жұмыс жағдайларына сәйкес келетін қолмен төгу және автоматты төгу опцияларында қол жетімді. Мөлдір тостаған су деңгейін оңай бақылауға мүмкіндік береді.

Жоғары дәлдік көрсеткіші: анық, дәл оқу және жүйе қысымын нақты уақытта бақылау үшін жоғары дәлдіктегі манометрмен жабдықталған.

SMC түрі AC FRL бірлігі туралы ескерту:

Ағын бағытын тексеріңіз: Орнатпас бұрын ауа ағынының бағытын тексеріңіз! Клапан корпусының жоғарғы жағында ағын бағытының белгілері (көрсеткілер немесе IN/OUT) бар. Орнату үшін осы көрсеткіштерді қатаң сақтаңыз. Кері орнату ақаулық немесе ағып кетуге әкеледі.

Тұрақты техникалық қызмет көрсету: ыдыстағы су деңгейін үнемі тексеріп отырыңыз және қолмен төгу түрін пайдалансаңыз, оны төгіп тастаңыз. Майлаушы майды төмен болғанда толтырыңыз (ISO VG32 турбиналық май ұсынылады).

SMC түрі AC FRL бірлігінің таңбасы:

Тапсырыс коды

AC

2000

-

02

-

D

Серия коды

Қабық өлшемі

 

Порт өлшемі:

 

Ағызу әдісі

AC:SMC түріндегі AC FRL құрылғысы

1000

 

M5:M5

 

Бос: қолмен төгу

 

2000

 

02:1/4

 

A: Дифференциалды қысымды төгу

 

3000

 

03:3/8

 

D: Авто ағызу

 

4000

 

04:1/2

 

 

 

5000

 

06:3/4

 

 

 

 

 

10:1

 

 

 

Дәлелдеу қысымы

1,5 Мпа (15,3 кгс/см³)

Максималды жұмыс қысымы

1,0Мпа(10,2кгф/см³)

Қоршаған орта және сұйықтық температурасы

5-60℃

Сүзгі диафрагмасы

5 мкм

Мұнай

ISOVG32

Шыныаяқ материалдары

ДК

Тостаған қалпақ

AC1000-2000(ЖОҚ) AC3000-5000 (БІЗ)

Қысымды реттеу диапазоны

AC1000: 0,05-0,7 Мпа (0,51-7,1 кгс/см³)

AC2000-5000: 0,05-0,085 Мпа(0,51-8,7 кгс/см³)

Манометр саңылауларының сериясы


2000 сериясы

3000 серия

4000 серия

5000 серия

AW

1/8

1/4

AC

BR

1/4

-

BFC

-

SMC түріндегі AC FRL құрылғысын орнату қадамдары:

Алдымен оралған PTFE таспасы мен манометрмен буындарды орнатыңыз

2. Көрсеткі бағытын орындаңыз: сол жағы - ауа сорғышы, ал оң жағы - ауа шығару

3. Ауа түтіктерін екі шетіндегі тиісті фитингтерге жалғаңыз

4. Қысымды реттейтін гайканы жоғары көтеріп, қысымды реттеу үшін айналдырыңыз; сағат тілімен бұру ауа ағынын арттырады, ал сағат тіліне қарсы бұру ауа ағынын азайтады

5. Қажетті ауа қысымын реттеңіз, содан кейін ауаны бекіту үшін реттеу гайкасын төмен басыңыз

6. Жанармай қажет болса, майлағыштағы бұранданы босатыңыз

7. Пневматикалық қызмет көрсету майын немесе турбиналық майды май құятын тесікке құйыңыз (пневматикалық май шыныаяқта көрсетілген май деңгейінің сызығынан аспайтынына көз жеткізіңіз)

8. Пневматикалық майды толтырғаннан кейін гайканы аллен кілтімен қатайтыңыз

9. Май беруді айналу арқылы реттеңіз: май ағынын сағат тілімен арттырады, сағат тіліне қарсы бағытта азайтады


Су төгетін түрі

Жұмыс принципі

Қолданба ортасы

Артықшылықтары

Кемшіліктері

Қолмен төгу

Сүзгі тостағанында жиналған су ағызу клапанын белгілі бір уақыт аралығында қолмен айналдыру немесе басу арқылы шығарылады. Дренаждың аяқталуы толығымен қолмен жұмыс істеуге байланысты.

Қарапайым жүйелер немесе сирек дренаж талаптары бар қолданбалар.

Қарапайым құрылым, төмен ақаулық, қосымша техникалық қызмет көрсету қажет емес.

Қолмен жұмыс істеуге негізделген; суаруды ұмыту оңай. Судың шамадан тыс жиналуы сүзу өнімділігіне әсер етуі мүмкін.

Дифференциалды қысымды ағызу

Сүзгіге дейін және одан кейінгі қысым айырмашылығын пайдаланады. Конденсаттың жиналуы артып, қысым дифференциалы алдын ала орнатылған мәнге жеткенде, ағызу автоматты түрде ашылады. Қысым дифференциалы қалыпқа келгеннен кейін ол қайтадан жабылады. Ауа қысымы мен ағыны болған кезде ғана жұмыс істейді.

Тұрақты ауамен қамтамасыз етілген және қарапайым жұмыс жағдайлары бар, қолмен жұмыс істеу ыңғайлы емес орталар.

Қуат көзі қажет емес. Автоматты дренаж, қолмен төгуге қарағанда сенімдірек.

Тұрақты ауа қысымын қажет етеді. Ұзақ тоқтау кезінде немесе қысым дифференциалы болмаған кезде дренаждың өнімділігі шектеледі.

Автоматты су төгу

Қалқымалы механизмді немесе таймерді пайдаланады. Конденсат белгілі бір деңгейге жеткенде, ағызу автоматты түрде ашылады

Автоматтандырылған өндірістік желілер мен сығылған ауа сапасына жоғары талаптар қоятын жүйелер.

Ең уақтылы және тұрақты дренаж өнімділігі.

Салыстырмалы түрде жоғары құны.


AFQ:

Неліктен ол AC FRL деп аталады?

AF (ауа сүзгісі) + AR (қысым реттейтін клапан) + AL (май тұманының майлаушысы) = айнымалы ток үштік бірлігі


Ұсынылатын қосылу әдісі

Ауа компрессоры -- Ауа көзі процессоры -- Басқару компоненті -- Жетек


Пластикалық шыныаяқтың қорғаныс қақпағы жиі оңай сынса не істеуім керек?

Кейбір тұтынушылар пластикалық шыныаяқтар қысымның әсерінен емес, материалдың әсерінен сынатынын жиі байқайды. Пластикалық шыныаяқтар белгілі бір ортаға төзімді емес, металл шыныаяқтарды белгілі бір жағдайларда жақсы балама етеді


Соленоидты клапан цилиндрлерінің қызмет ету мерзімін қалай ұзартуға болады?

Сүзгіні пайдалану ауадан ылғал мен қоспаларды кетіреді, поршеньдер мен тығыздағыш сақиналардың үйкеліс зақымдалуын тиімді азайтады. Майлағышты турбиналық майды қосу үшін пайдалануға болады, содан кейін ол цилиндр поршені мен тығыздағыш сақиналарды майлау үшін ауамен тасымалданады. Қысым реттегіші кіріс ауасының қысымын реттей алады, бұл жұмыс тиімділігін одан әрі арттырады


OLK үшін сүзгі элементі қандай материалдан жасалған?

OLK сүзу дәлдігі 25 мкм болатын мыс сүзгі элементтерін пайдаланады, ал қарапайым талшықты сүзгі элементтерінің дәлдігі тек 5 мкм. Жоғары дәлдіктегі сүзгі элементтері газдан қоспалар мен ылғалды тиімді жоя алады, бұл шығыс ауаның құрғақ және ластаушы заттарсыз болуын қамтамасыз етеді.


Hot Tags: SMC түрі AC FRL бірлігі, Қытай, өндіруші, жеткізуші, зауыт
Сұрау жіберу
Байланыс ақпараты
  • Мекенжай

    «Женгтай» жолы, Xxionang индустриалды аймағы, Лиуши, Еуекинг, Вэньчжоу, Чжэцзян, Қытай.

  • Электрондық пошта

    cici@olkptc.com

Біздің веб-сайтқа қош келдіңіз! Біздің өнімдер немесе бағалар тізімі туралы сұраулар үшін бізге электрондық поштаңызды қалдырыңыз, біз 24 сағат ішінде байланысамыз.
Электрондық пошта
cici@olkptc.com
Тел
86-0577 57178620
Ұялы
+86-13736765213
Мекенжай
«Женгтай» жолы, Xxionang индустриалды аймағы, Лиуши, Еуекинг, Вэньчжоу, Чжэцзян, Қытай.
X
Біз cookie файлдарын сізге жақсырақ шолу тәжірибесін ұсыну, сайт трафигін талдау және мазмұнды жекелендіру үшін пайдаланамыз. Осы сайтты пайдалану арқылы сіз cookie файлдарын пайдалануымызға келісесіз. Құпиялылық саясаты
Қабылдамау Қабылдау