Бізге электрондық пошта
Өнімдер
3V2 Соленоидты клапан 3 жол
  • 3V2 Соленоидты клапан 3 жол3V2 Соленоидты клапан 3 жол
  • 3V2 Соленоидты клапан 3 жол3V2 Соленоидты клапан 3 жол

3V2 Соленоидты клапан 3 жол

Төменде 3v2 соленоидты клапанға кіріспе, 3-ші жолмен, олк 3v2 соленоидты клапанды 3v2 жолын жақсы түсінуге көмектеседі. Жаңа және ескі клиенттерді қарсы алу үшін бізбен бірге жақсы болашақты құруды жалғастырыңыз!

3v2 соленоидты клапан кішкентай, жарық және оңай орнатуға болады. Оның денесі қатты алюминийден жасалған, ол тот пен зақымданады. Клапан DC12V, DC24V, AC110V немесе AC220V қуаты бар сенімді соленоидты катушканы қолданады.

Бұл OLK бренді 3В2 соленоидты клапан орташа ағынды ауаны басқару үшін жақсы жұмыс істейді. Ол тез ауысады, аз қуатты қолданады және ұзақ уақытқа созылады. Ол әдетте жабық (NC), әдетте ашылады (жоқ) немесе қос соленоид болуы мүмкін. Ол көбінесе автоматтандыру желілерінде, орауыш машиналарда, баспа машиналарында және тамақ машиналарында қолданылады. Оның кішкентай мөлшері оны тығыз кеңістіктерге өте жақсы етеді.

3V2 Соленоидты клапан 3-жақты өнімдерге тән

1. Сезімтал коммутацияланған құрылымдық құрылым.

2. Жабық (NC) және әдетте ашық (Жоқ) түрлері бар.

3. Жақсы герметикалық және үлкен ағын үшін ыдысы бар дизайн.

4. Қажетті майлау қажет.

5. Оңай орнату және тестілеу үшін қолмен ауыстырылған.

6.Мәтіннің стандартты кернеуі опциялары бар.

3v2 клапанының белгісі:

Тапсырыс коды

3v

2

-

08

Ұйым

A

 

 

 

Улгі

Код

 

 Порт мөлшері

Актерлік түрі

Стандартты кернеу

Электрлік кіру

Жіп түрі

 

3V: 2 позиция 3 жол

2: 2 серия

 

06: G1 / 8

NC: әдетте жабық

Ж: AC220V

Бос: Сіздің түріңіз

Бос: G

 

 

 

 

08: G1 / 4

Жоқ: әдетте ашылды

B: DC24V

I: LINE түрі

T: NPT

 

 

 

 

 

 

C: AC110V

 

 

 

 

 

 

 

 

E: AC24V

 

 

 

 

 

 

 

 

F: DC12V

 

 

 


Улгі

3В206

3В208

Жұмыс орны

Ауа (40 мкм немесе одан жоғары сүзгіден өткен)

Ауа (40 мкм немесе одан жоғары сүзгіден өткен)

Актерлік түрі

Тікелей әрекет ету

Порт мөлшері

G1 / 8

G1 / 4

Лауазымы

3.4 мм² (CV = 0.19)

Тиімді аймақ

3.2 мм (CV = 0.18)

3.4 мм² (CV = 0.19)

Майлау

Талап етілмейді

Жұмыс қысымының диапазоны

0 ~ 0,8 МПа (0 ~ 114 PSI)

Дәлелдеу қысымы

1,5 МПа (215 PSI)

Жұмыс температурасы (℃)

-20 ~ 70

Дене материалы

Алюминий қорытпасы

 

Стандартты кернеу

AC220V AC110 Ac24V DC24V DC12V

Кернеу диапазоны

AC: ± 15% DC: ± 10%

Қуатты тұтыну

AC: 7VA DC: 7.0W

Қорғау класы

IP65 (DIN40050)

Оқшаулау бағасы

Б »

   32

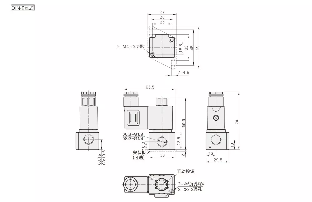
DIN Штепсель түрі / сызық түрі

Мин.Көшіру уақыты

0,05 сек


Жоқ

Есім

1

Бұраналы

2

Spacer жеңі

3

Негізгі құрастыру

4

Көктем

5

Дене

6

Тығыздағышы

7

Соленоидты жинау

8

Плунгер Род

9

Катушкалар

10

Жылжымалы темір өзегі

11

Тіркелген шайба

12

Бекітілген жаңғақ

13

Қолмен түймесін басыңыз

14

Соңғы аялдама

15

Терминалды тығыздағыш


Зат

3В1-M5 / 3V-06

2V025-06 / 2V025-08

3В2-06 / 3В2-08

3В3-08

Жұмыс орны

Ауа

Ауа, су, май

Ауа

Ауа

Бастапқы мемлекет:

Ұйым

Nc / no

Жоқ / NC

Жоқ / NC

Асертау түрі

Тікелей әрекет ету

Тікелей әрекет ету

Тікелей әрекет ету

Тікелей әрекет ету

Порт мөлшері

M5; g1 / 8

G1 / 8; g1 / 4

G1 / 8; g1 / 4

G1 / 4

Лауазымы

3 порты 2 позиция

2 порты 2 позиция

3 порты 2 позиция

3 порты 2 позиция

Майлау

Талап етілмейді

Талап етілмейді

Талап етілмейді

Талап етілмейді

Жұмыс қысымы

0-0,7 МПа

0-0,7 МПа

0-0,8 МПа

0-0,8 МПа

Дәлелдеу қысымы

1.2 МПа

1,5 МПа

1.2 МПа

1.2 МПа

Айқай өлшемдері

φ1.2 mm

φ2.5 мм

Φ3.2m / φφ3.4 мм

Φ11 мм (үлкен ауа ағыны)


ЖҚС:

С: 3V2 және 3V3 соленоид клапанының арасындағы қандай ерекшеліктер қандай?

Ж: 3В2: ортаңғы ағын, кішкентай пневматикалық басқару жүйесіне арналған костюм

3В3: Жоғары ағын, бірнеше цилиндрлерге арналған костюм немесе жоғары ағымды қосымшалар.

Құрылымның айырмашылығы: 3V3-де үлкен денесі бар және жоғары қысымды және ағып кетуі мүмкін.


С: 3v2 соленоидты клапан стендінің мөлшері қандай?

Ж: 3В2-06 Клапанның салмағы - 3,2 мм; 3В2-06 клапанын ұстарасы 3,4 мм


С: OLK 3V2 қай өнімдерді ауыстыра алады?

Ж: Olk 3V2 AirTac 3V2 сериялы соленоидті клапандарды бірдей функциямен және ұқсас сипаттамалармен алмастыра алады.


Hot Tags: 3V2 Соленоидты клапан 3 жол, Қытай, өндіруші, жеткізуші, зауыт
Сұрау жіберу
Байланыс ақпараты
  • Мекенжай

    «Женгтай» жолы, Xxionang индустриалды аймағы, Лиуши, Еуекинг, Вэньчжоу, Чжэцзян, Қытай.

  • Электрондық пошта

    cici@olkptc.com

Біздің веб-сайтқа қош келдіңіз! Біздің өнімдер немесе бағалар тізімі туралы сұраулар үшін бізге электрондық поштаңызды қалдырыңыз, біз 24 сағат ішінде байланысамыз.
Электрондық пошта
cici@olkptc.com
Тел
86-0577 57178620
Ұялы
+86-13736765213
Мекенжай
«Женгтай» жолы, Xxionang индустриалды аймағы, Лиуши, Еуекинг, Вэньчжоу, Чжэцзян, Қытай.
X
Біз cookie файлдарын сізге жақсырақ шолу тәжірибесін ұсыну, сайт трафигін талдау және мазмұнды жекелендіру үшін пайдаланамыз. Осы сайтты пайдалану арқылы сіз cookie файлдарын пайдалануымызға келісесіз. Құпиялылық саясаты
Қабылдамау Қабылдау