Бізге электрондық пошта
Өнімдер
Tac пневматикалық сигналдық клапан
  • Tac пневматикалық сигналдық клапанTac пневматикалық сигналдық клапан

Tac пневматикалық сигналдық клапан

Кәсіби өндіріс ретінде олк сізге Tac пневматикалық сигналын бергісі келеді. Және Олк сізге сатылымнан кейінгі ең жақсы қызмет және уақтылы жеткізіледі.

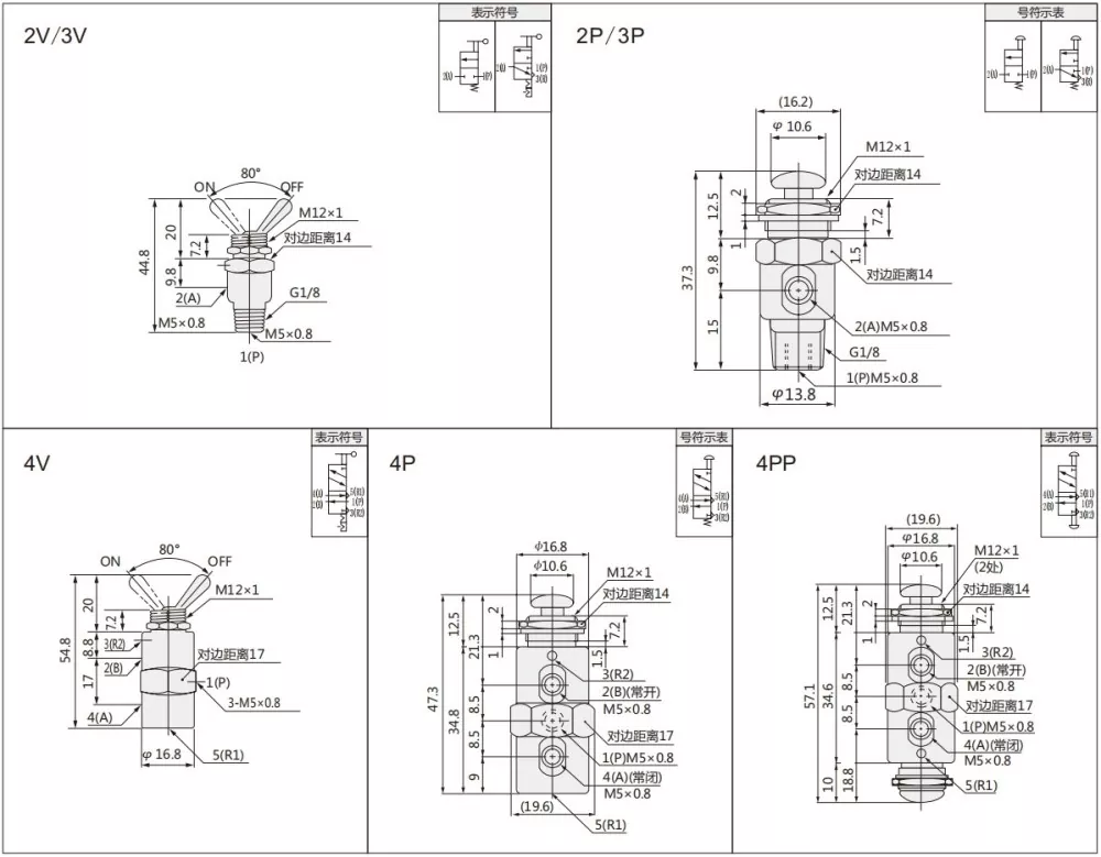
Tac пневматикалық сигналдық клапан (сонымен қатар, коммутолма клапаны ретінде белгілі) - пневматикалық жүйелер мен сұйықтықты бақылау үшін арнайы жасалған дәл коммутациялық компонент. Өзінің бірегей түрін басқару құрылымымен сұйықтықтың жылдам коммутациясы мен нақты бақылауына қол жеткізіледі.

TAC сериялы клапанның 2 позициясы 2, 2 позиция және 2 позиция 5 әдісі және 2 позиция 5 әдісі болып табылады.

Қолдану сценарийлері

Өнеркәсіптік автоматика жабдықтары, механикалық өңдеу, құрылыс материалдарын өңдеу, энергетика және тау-кен өндірісі, тамақ және сусындар, медициналық жабдық және т.б.

Өнімнің ерекшеліктері

Ол аз мөлшерде, көп орнатуды қажет етеді, сонымен қатар қолмен жұмыс істеуі керек, оны жиі ауыстыруды қажет ететін сценарийлер үшін қолайлы етеді.

TAC клапанының белгісі мен құрылымы

Индеринг коды

Tac

2

__

2

P

 

 

 

 

 

TAC сериялары

 

 

2: 2жаздық 2 жол (M5)

P: Push-тарту түймесі түрі

 

 

 

3: 2 позиция 3 жол (M5)

V: Қолдың тұтқасы түрі

 

 

 

4: 2 Қашу 5 жол (M5)

PP: Екі рет басу арқылы

 

 

 

31: 2 позиция 3 жол (G1 / 8)

 

 

 

 

41: 2 Қашу 5 жол (G1 / 8)

 

 

Улгі

Порт мөлшері

 

Нөмір
лауазымы

Әсерлі  
көлденең қимасы

Қысым диапазоны

Жұмыс сұйықтығы

Қоршаған
Температура

 

TAC-2V

Inlet = шығыс = m5   

2 позиция 2 жол

1.9mm²

0,05 ~ 0,9ppa

Ауа

0 ~ 60

TAC-2P

Inlet = шығыс = m5   

2 позиция 2 жол

1.9mm²

TAC-3V

Inlet = шығыс = m5   

2 позиция 3 жол

1.9mm²

TAC-3P

Inlet = шығыс = m5   

2 позиция 3 жол

1.9mm²

TAC-4V

Inlet = шығыс = m5   

2 позиция 5 жол

1.9mm²

TAC-4P

Inlet = шығыс = m5   

2 позиция 5 жол

1.9mm²

4PP

G1 / 8

 

2 позиция 5 жол

4.5mm²

Tac2-31v

Inlet = шығыс = шығу = G1 / 8   

2 позиция 3 жол

4.5mm²

TAC2-31P

Inlet = шығыс = шығу = G1 / 8   

2 позиция 3 жол

4.5mm²

TAC2-41V

Inlet = OUTLET = G1 / 8 Шығару = M5

2 позиция 5 жол

4.5mm²

Tac2-41p

Inlet = OUTLET = G1 / 8 Шығару = M5

2 позиция 5 жол

4.5mm²

Tac2-41pp

Inlet = OUTLET = G1 / 8 Шығару = M5

2 позиция 5 жол

4.5mm²

ЖҚС:

Ауыздық клапан мен механикалық клапанның арасындағы айырмашылық неде?

Тұрақты клапан мен механикалық клапанды басқару түрі бойынша ажыратуға болады: Айналмалы клапан тәрізді клапан тәрізді люк түрінде, механикалық клапан - итеру батырмасы немесе ролик түрі

 

Ауыздық клапанның және басқа клапандардың айырмашылығы неде?

Дәл бақылау: Клапандар Клобляциялық клапандар ұсақ диаметрлі құбырларда дәл бақылауға жарамды конустық клапанның өзегі арқылы ұдайы реттеуге қол жеткізіңіз, ол шағын диаметрлі құбырларда дәл бақылауға жарамды, ал доп клапандары тез ашылуға және жабылу жұмыстарына қолайлы.

Hot Tags: Tac пневматикалық сигнал, Қытай, өндіруші, жеткізуші, зауыт
Сұрау жіберу
Байланыс ақпараты
  • Мекенжай

    «Женгтай» жолы, Xxionang индустриалды аймағы, Лиуши, Еуекинг, Вэньчжоу, Чжэцзян, Қытай.

  • Электрондық пошта

    cici@olkptc.com

Біздің веб-сайтқа қош келдіңіз! Біздің өнімдер немесе бағалар тізімі туралы сұраулар үшін бізге электрондық поштаңызды қалдырыңыз, біз 24 сағат ішінде байланысамыз.
Электрондық пошта
cici@olkptc.com
Тел
86-0577 57178620
Ұялы
+86-13736765213
Мекенжай
«Женгтай» жолы, Xxionang индустриалды аймағы, Лиуши, Еуекинг, Вэньчжоу, Чжэцзян, Қытай.
X
Біз cookie файлдарын сізге жақсырақ шолу тәжірибесін ұсыну, сайт трафигін талдау және мазмұнды жекелендіру үшін пайдаланамыз. Осы сайтты пайдалану арқылы сіз cookie файлдарын пайдалануымызға келісесіз. Құпиялылық саясаты
Қабылдамау Қабылдау