Бізге электрондық пошта
Өнімдер
Airtac Type GR қысымын реттеуші
  • Airtac Type GR қысымын реттеушіAirtac Type GR қысымын реттеуші

Airtac Type GR қысымын реттеуші

Сіз біздің фабрикадан Airtac типті GR қысымын реттегішін сатып алу үшін сенімді бола аласыз және біз сізге сатудан кейінгі ең жақсы қызмет және уақтылы жеткізілім ұсынамыз.

Airtac Type GR қысымын реттеуші пневматикалық жүйелер үшін тұрақты және дәл қысыммен бақылауды қамтамасыз етеді. Олк гр пневматикалық реттеуші ұзақ мерзімді және оңай түзетулермен, ол автоматтандыру жабдықтарында, әуе құралдарында, компрессорларда, компрессорларда және жалпы өндірістік қосымшаларда сенімді орындауды қамтамасыз етеді. Сүзгілерге, майлаушыларға және FRL қондырғыларымен үйлесімді.

Airtac Type типті GR Қысым реттегіші Өнім ерекшеліктері:

Кірістірілген квадраттық қысым өлшеуі Орнату кеңістігін сақтайды (сыртқы дөңгелек өлшегіш міндетті емес).

Бекіту дизайны сыртқы күштен туындаған кездейсоқ қысымның алдын алады.

· Теңдестірілген қысым реттейтін құрылым тұрақты қысымды, ұсақ ауытқуды және жақсы көрсеткіштерді қамтамасыз етеді.

· Панельге немесе қосымша бекіту кронштейніне орнатылуы мүмкін.

· Стандартты модельден басқа, төмен қысымды түрі бар (максималды реттелетін қысым: 0,4 МПа)


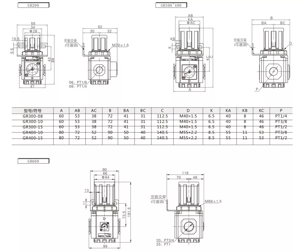
GR қысымын реттеу символы:

Тапсырыс коды

GR200

-

08

Үлгі:

 

Порт өлшемі:

GR200 сериялы қысым реттегіші

 

06: PT: 1/8

GR300 сериялы қысым реттегіші

 

08: PT1 / 4

GR400 сериялы қысым реттегіші

 

10: pt3 / 8

GR600 сериялы қысым реттегіші

 

15: PT1 / 2

 

 

20: PT3 / 4

 

 

25: PT1


Улгі

GR200-06

GR200-08

GR300-08

GR300-10

GR300-15

GR400-10

GR400-15

GR600-20

GR600-25

Жұмыс орны

Ауа

Порт мөлшері

Pt1 / 8

PT1 / 4

PT1 / 4

Pt3 / 8

Pt1 / 2

Pt3 / 8

Pt1 / 2

Pt3 / 4

PT1

GR дегеніміз - GR сериялы әуе реттегіші.

0.05-0.9mpa (20-130psi)

Жұмыс қысымының диапазоны

1.5MPA (215psi)

Tem.

-20--70 ℃

Салмақ

160г

350г

720 г

1700г


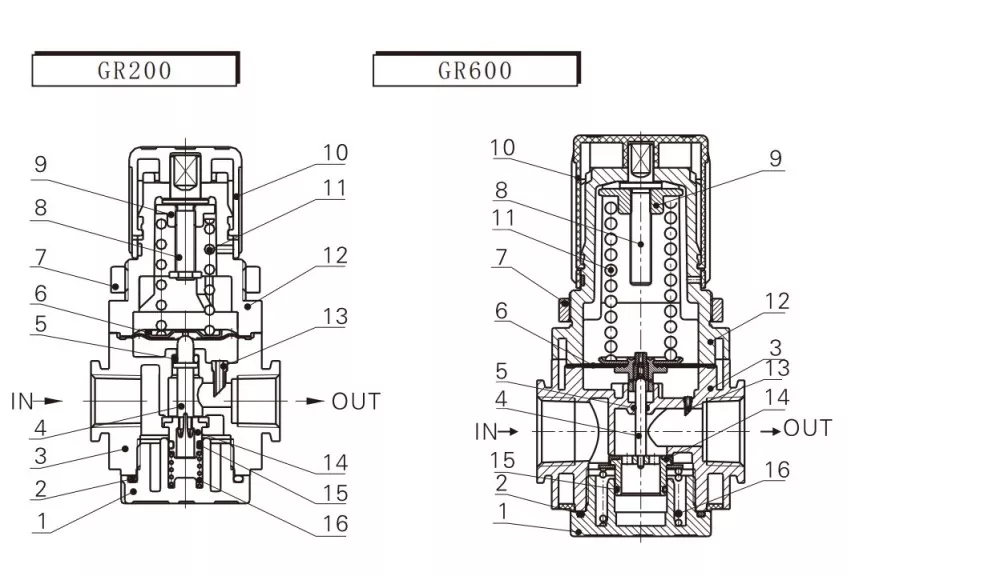
Airtac типті GR қысым реттегішін қалай реттеуге болады

Реттеу қақпағында қысым шкаласы бар. Ауа берілсе, тұтқаны тартып, қысымды сағат тілімен бұраңыз, қысымның жоғарылауы үшін «+» белгісіне бұраңыз. Реттеуден кейін оны бекіту үшін тұтқаны төмен басыңыз.


1-қадам: тұтқаны ұстап, оны тартыңыз.

2-қадам: қысымды көбейту үшін оны сағат тілімен бұраңыз.

3-қадам: Реттелгеннен кейін құлыптау үшін тұтқаны басыңыз.


Ескерту: Қосылу кезінде ауа ағынының бағытын көрсететін көрсеткіге назар аударыңыз. Кері қосылым ауа ағып кетуі мүмкін.




ЖҚС:

Бұл дегеніміз не?

GR дегеніміз - GR сериялы әуе реттегіші.


GFC дегеніміз не?

Gfc = gfr + gl (сүзгі реттегіші + майлаушы)


GC дегеніміз не?

Gc = gf + gr + gl (сүзгі + пневматикалық реттеуші + майлаушы)



Hot Tags: Airtac типті GR қысымын реттеуші, Қытай, өндіруші, жеткізуші, зауыт
Сұрау жіберу
Байланыс ақпараты
  • Мекенжай

    «Женгтай» жолы, Xxionang индустриалды аймағы, Лиуши, Еуекинг, Вэньчжоу, Чжэцзян, Қытай.

  • Электрондық пошта

    cici@olkptc.com

Біздің веб-сайтқа қош келдіңіз! Біздің өнімдер немесе бағалар тізімі туралы сұраулар үшін бізге электрондық поштаңызды қалдырыңыз, біз 24 сағат ішінде байланысамыз.
Электрондық пошта
cici@olkptc.com
Тел
86-0577 57178620
Ұялы
+86-13736765213
Мекенжай
«Женгтай» жолы, Xxionang индустриалды аймағы, Лиуши, Еуекинг, Вэньчжоу, Чжэцзян, Қытай.
X
Біз cookie файлдарын сізге жақсырақ шолу тәжірибесін ұсыну, сайт трафигін талдау және мазмұнды жекелендіру үшін пайдаланамыз. Осы сайтты пайдалану арқылы сіз cookie файлдарын пайдалануымызға келісесіз. Құпиялылық саясаты
Қабылдамау Қабылдау